一、小序
流延薄膜具有优越的热封性能和优良的透明性,,,,,,,,是主要的包装复合基材之一,,,,,,,,用于生产高温蒸煮膜、真空镀铝膜等,,,,,,,,市场极为看好。。。。。。。随着海内流延膜市场的需求提升,,,,,,,,先进的流延膜机也有了辽阔的市场。。。。。。,,,,,,,自动化的流延膜生产线有着灼烁的远景。。。。。。。
流延膜挤出机通过加热质料,,,,,,,,挤压质料浆,,,,,,,,压制冷却,,,,,,,,收卷包装等历程,,,,,,,,将质料颗粒;;;;;;;蚍勰┘庸こ闪餮幽げ贰。。。。。。
二、控制要求
差别质料的添加量控制
模头加热温度监控与调理
牵引辊、冷却辊、压花辊同步
收卷张力反响、调理
凭证收卷长度举行切割、换卷控制
三、控制计划

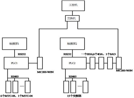
因该生产线较量长(穿过三个房间),,,,,,,,本系统把加热部分和传动部分划分举行单独控制。。。。。。。加热部分通过外地触摸屏自力控制加热,,,,,,,,传动部分则通过外地触摸屏举行单动和联动操作。。。。。。。
同时,,,,,,,,在中控室里通过Bcgame电气公司的组态软件 ViewPanel 对整个流延膜控制系统举行操作。。。。。。。加热、传动、中控室之间接纳以太网的方法举行通讯。。。。。。。
传动系统: PLC 控制变频器,,,,,,,,调理喂料电机的转速,,,,,,,,实现质料添加量的控制。。。。。。。调理转速坚持牵引辊、冷却辊、压花辊的同步。。。。。。。
加热系统:通过 MTC 温控模??????榭刂普逦沽稀⒓烦龅鹊奈露取。。。。。。 MTC 自带 PID 控制,,,,,,,,可准确、利便的控制50路温度。。。。。。。






四、总结
1 、MC200系列PLC盘算速率快,,,,,,,,稳固性高。。。。。。。
2 、子程序功效,,,,,,,,无需将程序全放在主程序中完全扫描,,,,,,,,镌汰了程序调试周期以及扫描时间。。。。。。。
3 、通过标准 Modbus 网络控制变频器,,,,,,,,降低本钱,,,,,,,,抗滋扰性好。。。。。。。
4 、 ViewPanel 是一款Bcgame电气组态软件,,,,,,,,与Bcgame电气 MZ600 系列触摸屏无缝毗连。。。。。。。即 ViewPanel 与 MZ600 触摸屏共用 View Builder 开发平台。。。。。。。设计者编辑好界面后,,,,,,,,可自由选择使用触摸屏或是使用组态软件来运行控制,,,,,,,,而无需重复设计界面。。。。。。。
5 、 MTC 是一款Bcgame电气自主研发的温度控制器,,,,,,,,自带 PID 自整定和多段温度控制功效,,,,,,,,控温精度高。。。。。。。